服务热线
029-88633439
手机
18092189061
PRODUCT CENTERS


YTT-150型差动远传压力表是二线制本质安全型防爆仪表,用于测量对铜及其合金不起腐蚀作用的液 体、气体和蒸汽的压力。仪表带上阻尼器后,可测量脉动、冲击、突然卸荷介质的压力。带上隔膜部分后, 可测量大粘度、有腐蚀性介质的压力。本仪表除就地进行压力指示外,还连续输出与被测压力信号成线性 的4~20mA直流信号。可以与DDZ-Ⅲ电动单元组合仪表中的显示、记录、调节仪表联用,组成自动记录、调 节、控制等系统。适合于石油化工、冶金、电站、轻工业等部门使用。
本仪表符合GB3836.4-83《爆炸性环境用防爆电气设备本质安全型电路和电气设备“ !” 》有关要求, 并经防爆检验单位鉴定取得防爆合格证书。
YTT-150B、C、D、E差动远传压力表用于一般环境,YTT-150B、C、D、E-Z型耐震差动远传压力表用于环境震动剧烈的场所,测量对铜和钢及其合金不起腐蚀作用的液体、气体和蒸汽的压力。仪表带上阻尼器后,可测量脉动、冲击、突然卸荷介质的压力。带上隔膜部分后,仪表可测量大粘度、有腐蚀性介质的压力。带上隔膜部分后,仪表可测量大粘度、有腐蚀性介质的压力。本仪表除就地进行压力指示外,还能把被测压力值至远离测量点的动圈式或数字式仪表上进行显示、调节及报警。
主要技术指标:
1、测量范围:见型号规格表
2、输出信号:4~20mA c ,D二线制
3、精度等级:1.6级
4、负载电阻:250Ω~350Ω
5、防爆标志:ib ⅡT 5C
6、供电电源:直流24V ( 本 质 安 全 型%经ISB 安 全 供 电 ) 。 型
7、工作环境:
温度 : - 10 ~ +55℃
相对湿度:≤85%
外磁场:≤5奥斯特
注:
1、产品分为基型,带阻尼器型“Z” ,带隔膜型“G”(与介质接触部分材料为IGr18Ni9 i和TP2611混炼)、带隔膜阻尼型“F”。
2、仪表供电电源为直流24V,作本质安全型使用时由CI系列ISB安全栅供电,作普通型使用时由配电器供电。
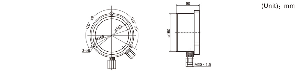
型号规格表
| YTT | 代号 | 型 式 | 测量范围 |
| 基 型 | -0.1~0,-0.1~0.06,-0.1~0.15, -0.1~0.3,-0.1~0.5,-0.1~0.9, -0.1~1.5,-0.1~2.4,0~0.1, 0.16,0.25,0.4,0.6,1,1.6,2.5 4,6,10,16,25,40,60,100 | ||
| Z | 带阻尼器 | ||
| G | 带隔膜 | 0~0.1,0~0.16,0~0.25,0~0.4, 0~0.6,0~1,0~1.6,0~2.5,0~4, 0~6,0~10,0~16,0~25,0~40, 0~60,0~100 | |
| F | 带隔膜阻尼器 | ||
| 代号 | 输出 | ||
| -150 | 4~20mADC | ||
| YTT | Z | -150 | 0~6MPa 整完型号、测量范围 |
外形尺寸
